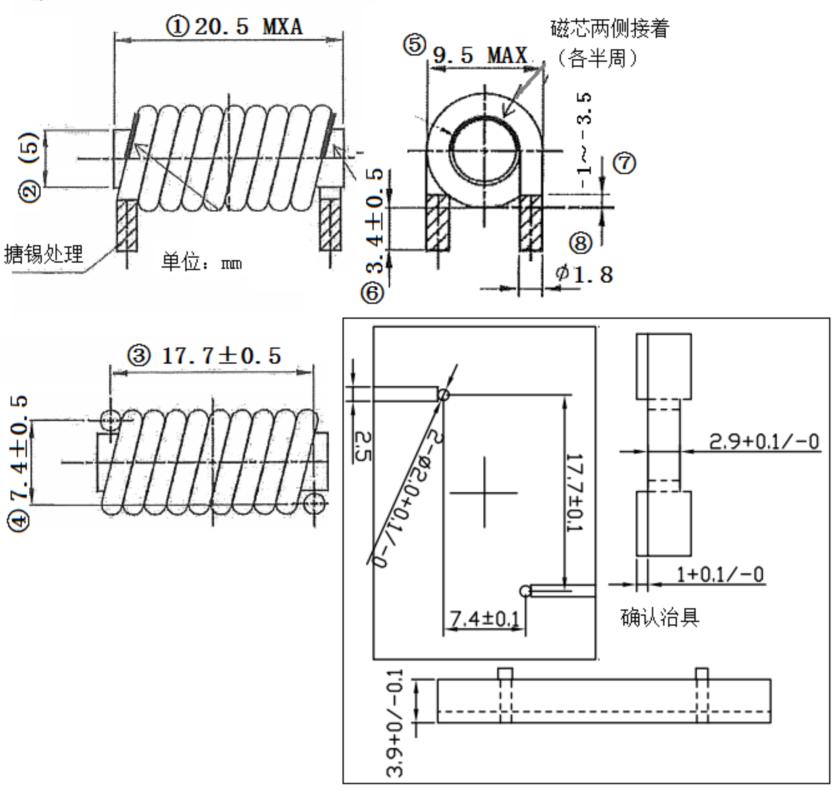
DKSR0520-1.7uH
电感量
Inductance:1.7μH ±20%
直流电阻
DCR:1.8mΩ MAX
测试频率
Test Conditio:10kHz、1V

Product Recommendation
Zhongshan Dixon Electronics Co., Ltd. is a high-tech Co., Ltd. integrating design, R & D, customization, production and sales of inductors, transformers and other electronic components。Focusing on the two sessions: representing the committee members to make
2022-05-20The two sessions held in the spring of 2009 focused on the topic of coping with the international financial crisis and pr…Opportunities brought by upgrading of electronic industry
2022-05-20The detailed rules for the adjustment and planning of the electronic information industry put forward that in the next th…Industrial control security of Internet of things is listed in Shanghai network
2022-05-20Shanghai has officially released the special emergency response plan for network and information security incidents in Sh…Special funds for integrated circuits to be built in China
2022-05-20Chinas integrated circuit industry has developed well in the past two years. On the one hand, the market demand is rising…
Zhongshan dikasen Electronics Co., Ltd
Address: plant yuanqiyu 2, No. 6 Industrial Zone, Nanlang street, Zhongshan City
Mobile: 08613925332826
Website:http://www.zsdikas.com